點我交流
qq: 115885435
首頁 >> 產品中心 >> YLSV系列三段式長振動電機
YLSV系列三段式長振動電機
- 型號:YLSV系列三段式長振動電機
- 電壓頻率:380伏50赫茲(可根據客戶要求特殊訂制)
- 絕緣等級:F級或H級
- 防護等級:IP55-IP66
- 工作方式:連續
- 環境溫度:不超過40℃
- 介紹:YLSV系列三段式長振動電機采用特殊鋁合金殼體,結構細長,可用于安裝在無支撐橫梁的振動設備上。特殊的結構 使激振力作用范圍更寬,且更貼近篩網,運行更平穩,受力更均勻,廣泛應用于礦山、石油等行業。
- 電話:021-67871206 / 57242438
詳情介紹
YLSV系列三段式長振動電機采用特殊鋁合金殼體,結構細長,可用于安裝在無支撐橫梁的振動設備上。特殊的結構使激振力作用范圍更寬,且更貼近篩網,運行更平穩,受力更均勻,廣泛應用于礦山、石油等行業。
YLSV series three-stage long vibrator motors adopt special aluminum alloy shell, with a slender structure, can be installed on the vibration equipment without support beams. The special structure allows for a wider range of exciting force which is closer to the vibrating screen, so they can operate more smoothly. This series are widely used in mining and petroleum.
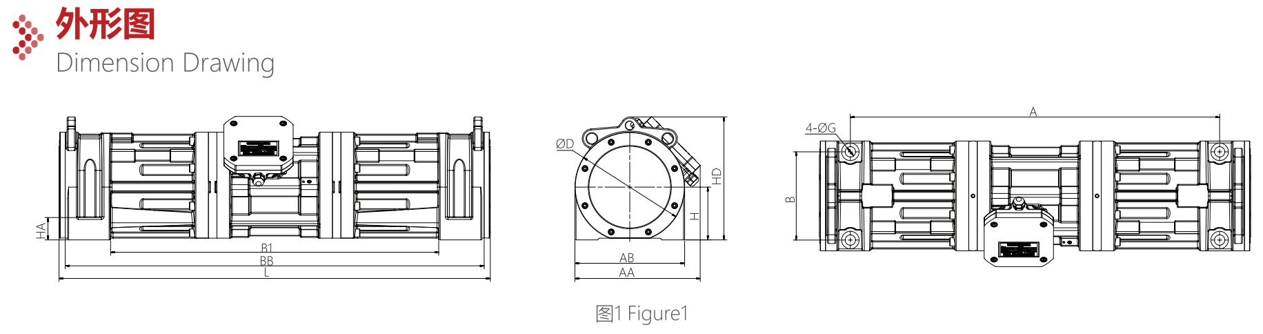
| YLSV 系列三段式長振動電機 技術參數及尺寸 | ||||||||||||||||||
| Technical Parameters and Dimension of YLSV Series Three-stage Long Vibrator Motors | ||||||||||||||||||
| 三相四極(380V 50HZ 振動次數1430r/min) Three-phase and Four-pole 380V 50Hz Frequency 1430r/min | ||||||||||||||||||
| 型號 Model | 額定激振力 Rated (kN) | 額定功率 RatedForcePower (kW) | 額定電流 Rated Current (A) | 安裝尺寸(mm) Mounting Dimension | 外形尺寸(mm) Overall Dimension | 安裝螺栓尺寸 Mounting Bolt Dimension | 重量 Weight (kg) | 圖號 Drawings No. | ||||||||||
| A | B | H | AB | AA | BB | B1 | HA | HD | L | D | G | |||||||
| YLSV-35-4 | 35 | 1.85 | 4.50 | 959 | 229 | 137 | 285 | 326 | 1088 | 852 | 58 | 319 | 1120 | 285 | 27 | 4*M24 | 175 | 1 |
| YLSV-52-4 | 52 | 2.20 | 5.57 | 959 | 229 | 137 | 285 | 326 | 1088 | 852 | 58 | 319 | 1120 | 285 | 27 | 4*M24 | 192 | 1 |
