點我交流
qq: 115885435
MVE 系列振動電機
- 型號:MVE 系列振動電機
- 電壓頻率:380伏50赫茲(可根據客戶要求特殊訂制)
- 絕緣等級:F級或H級
- 防護等級:IP55-IP66
- 工作方式:連續
- 環境溫度:不超過40℃
- 介紹:MVE系列振動電機為我司參照意大利等歐洲標準研制開發的振動電機,具有設計精良、重量輕、效率高等特點。作為各類振動機械的通用激振源,該產品可廣泛應用于礦山、冶金、煤炭、電力、建筑、化工、鑄造、輕工食品等多個行業,產品可替代意大利等歐標振動電機。
- 電話:021-67871206 / 57242438
詳情介紹
MVE系列振動電機為我司參照意大利等歐洲標準研制開發的振動電機,具有設計精良、重量輕、效率高等特點。作為各類振動機械的通用激振源,該產品可廣泛應用于礦山、冶金、煤炭、電力、建筑、化工、鑄造、輕工食品等多個行業,產品可替代意大利等歐標振動電機。
MVE series vibrator motors are developed according to Italian and other European standards. They have the characteristics of excellent design, lightweight, high efficiency. As a general vibration exciting source for all kinds of vibration machinery, they can be widely used in mining, metallurgy, coal, electricity, construction, chemical, foundry, food, etc. They can replace Italian and other European standard vibrator motors.
| MVE 系列振動電機 技術參數及尺寸 | |||||||||||||||
| Technical Parameters and Dimension of MVE Series Vibrator Motors | |||||||||||||||
| 三相二極(380V 50HZ 振動次數2900r/min) Three-phase and Two-pole 380V 50Hz Frequency 2900r/min | |||||||||||||||
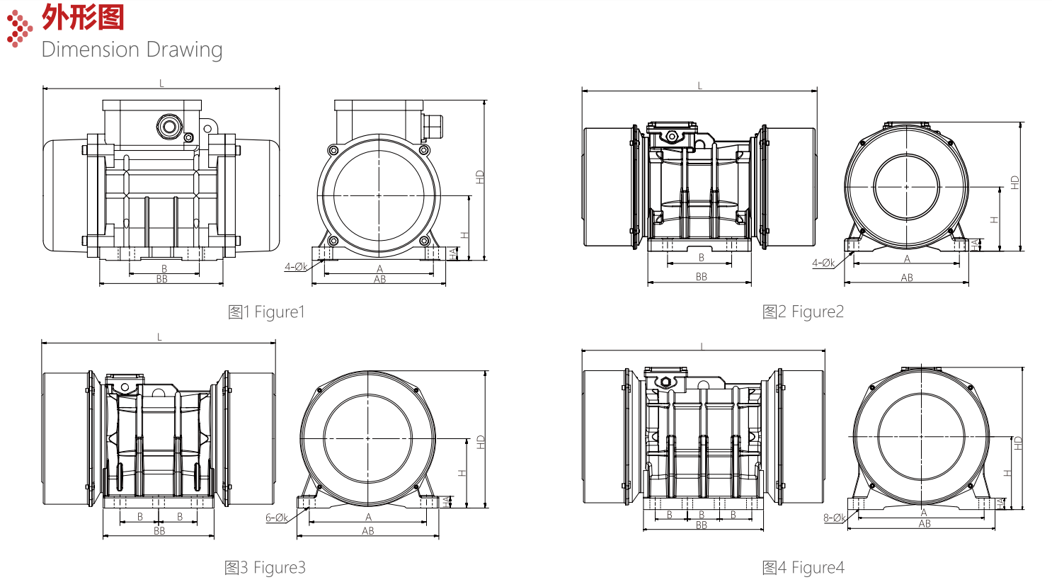
| 型號 Model | 額定激振力 Rated Force (kN) | 額定功率 Rated Power (kW) | 額定電流 Rated Current (A) | 安裝尺寸(mm) Mounting Dimension | 外形尺寸(mm) Overall Dimension | 安裝 螺栓 尺寸(mm) Mounting Bolt Dimension | 重量 Weight (kg) | 圖號 Drawings No. | |||||||
| A | B | H | AB | BB | HA | HD | L | K | |||||||
| MVE-1-2 | 1 | 0.06 | 0.23 | 106 | 62-74 | 65 | 140 | 105 | 15 | 155 | 220 | 9 | 4*M8 | 7.5 | 1 | 
| MVE-2-2 | 2 | 0.09 | 0.35 | 106 | 62-74 | 65 | 140 | 105 | 15 | 155 | 220 | 9 | 4*M8 | 8 | 1 | 
| MVE-3-2 | 3 | 0.18 | 0.62 | 125 | 90 | 80 | 155 | 160 | 15 | 170 | 255 | 13 | 4*M12 | 12 | 2 | 
| MVE-4-2 | 4 | 0.25 | 0.78 | 125 | 90 | 80 | 155 | 160 | 15 | 170 | 255 | 13 | 4*M12 | 13 | 2 | 
| MVE-5-2 | 5 | 0.37 | 1.10 | 140 | 105 | 80 | 170 | 150 | 17 | 180 | 270 | 13 | 4*M12 | 24 | 2 | 
| MVE-8-2 | 8 | 0.55 | 1.40 | 170 | 120 | 120 | 210 | 176 | 20 | 270 | 350 | 18 | 4*M16 | 27.5 | 2 | 
| MVE-10-2 | 10 | 0.75 | 1.96 | 170 | 120 | 120 | 210 | 176 | 20 | 270 | 350 | 18 | 4*M16 | 29 | 2 | 
| MVE-15-2 | 15 | 1.10 | 2.55 | 190 | 140 | 140 | 230 | 200 | 23 | 270 | 390 | 18 | 4*M16 | 60 | 2 | 
| MVE-20-2 | 20 | 1.50 | 3.67 | 190 | 140 | 140 | 230 | 200 | 23 | 270 | 390 | 18 | 4*M16 | 66 | 2 | 
| MVE-30-2 | 30 | 2.20 | 5.10 | 225 | 155 | 170 | 280 | 246 | 28 | 320 | 460 | 22 | 4*M20 | 98 | 3 | 
| MVE-40-2 | 40 | 3.00 | 6.85 | 255 | 155 | 155 | 300 | 250 | 30 | 315 | 470 | 23.5 | 4*M22 | 105 | 2 | 
| MVE-50-2 | 50 | 3.70 | 8.43 | 280 | 180 | 170 | 338 | 285 | 32 | 340 | 530 | 29 | 4*M27 | 128 | 2 | 
| MVE-65-2 | 65 | 4.50 | 10.31 | 320 | 200 | 198 | 380 | 330 | 35 | 395 | 570 | 32 | 4*M30 | 186 | 2 | 
| MVE-80-2 | 80 | 6.30 | 13.50 | 320 | 100 | 205 | 385 | 320 | 35 | 410 | 630 | 32 | 6*M30 | 205 | 3 | 
| MVE-100-2 | 100 | 7.50 | 18.02 | 320 | 100 | 205 | 385 | 320 | 35 | 410 | 630 | 32 | 6*M30 | 222 | 3 | 
| MVE-120-2 | 120 | 10.00 | 20.69 | 380 | 125 | 200 | 444 | 330 | 35 | 420 | 630 | 39 | 6*M36 | 270 | 3 | 
| 三相四極(380V 50HZ 振動次數1430r/min) Three-phase and Four-pole 380V 50Hz Frequency 1430r/min | |||||||||||||||
| 型號 Model | 額定 激振力 Rated Force (kN) | 額定 功率 Rated Power (kW) | 額定 電流 Rated Current (A) | 安裝尺寸(mm) Mounting Dimension | 外形尺寸(mm) Overall Dimension | 安裝 螺栓 尺寸(mm) Mounting Bolt Dimension | 重量 Weight (kg) | 圖號 Drawings No. | |||||||
| A | B | H | AB | BB | HA | HD | L | K | |||||||
| MVE-1-4 | 1 | 0.06 | 0.23 | 106 | 62-74 | 65 | 140 | 105 | 15 | 155 | 220 | 9 | 4*M8 | 10 | 1 | 
| MVE-2-4 | 2 | 0.09 | 0.35 | 125 | 90 | 70 | 150 | 140 | 15 | 160 | 260 | 13 | 4*M12 | 13 | 2 | 
| MVE-4-4 | 4 | 0.18 | 0.68 | 140 | 105 | 80 | 170 | 150 | 17 | 180 | 310 | 13 | 4*M12 | 20.5 | 2 | 
| MVE-5-4 | 5 | 0.25 | 0.85 | 140 | 105 | 80 | 170 | 150 | 17 | 180 | 320 | 13 | 4*M12 | 22 | 2 | 
| MVE-8-4 | 8 | 0.37 | 1.18 | 170 | 120 | 110 | 210 | 160 | 20 | 210 | 350 | 18 | 4*M16 | 33 | 2 | 
| MVE-10-4 | 10 | 0.55 | 1.76 | 170 | 120 | 110 | 210 | 160 | 20 | 210 | 370 | 18 | 4*M16 | 36 | 2 | 
| MVE-15-4 | 15 | 0.75 | 2.17 | 190 | 140 | 140 | 230 | 200 | 23 | 270 | 450 | 18 | 4*M16 | 63 | 2 | 
| MVE-20-4 | 20 | 1.10 | 3.20 | 190 | 140 | 140 | 230 | 200 | 23 | 270 | 450 | 18 | 4*M16 | 69 | 2 | 
| MVE-25-4 | 25 | 1.25 | 3.35 | 225 | 155 | 170 | 280 | 246 | 28 | 320 | 540 | 22 | 4*M20 | 88.5 | 2 | 
| MVE-30-4 | 30 | 1.50 | 3.85 | 225 | 155 | 170 | 280 | 246 | 28 | 320 | 540 | 22 | 4*M20 | 97 | 2 | 
| MVE-40-4 | 40 | 1.85 | 4.50 | 255 | 155 | 155 | 300 | 250 | 30 | 315 | 550 | 23.5 | 4*M22 | 114 | 2 | 
| MVE-50-4 | 50 | 2.20 | 5.57 | 280 | 180 | 170 | 338 | 285 | 32 | 340 | 610 | 29 | 4*M27 | 160 | 2 | 
| MVE-60-4 | 60 | 3.00 | 6.12 | 280 | 180 | 170 | 338 | 285 | 32 | 340 | 610 | 29 | 4*M27 | 192 | 2 | 
| MVE-70-4 | 70 | 3.70 | 7.12 | 320 | 100 | 205 | 385 | 320 | 35 | 410 | 630 | 32 | 6*M30 | 220 | 3 | 
| MVE-90-4 | 90 | 5.50 | 12.40 | 320 | 100 | 205 | 385 | 320 | 35 | 410 | 630 | 32 | 6*M30 | 260 | 3 | 
| MVE-100-4 | 100 | 6.30 | 14.18 | 380 | 125 | 225 | 455 | 340 | 40 | 435 | 650 | 38 | 6*M36 | 285 | 3 | 
| MVE-130-4 | 130 | 7.50 | 17.01 | 460 | 140 | 250 | 550 | 400 | 40 | 490 | 810 | 45 | 6*M42 | 420 | 3 | 
| 三相六極(380V 50HZ 振動次數970r/min) Three-phase and Six-pole 380V 50Hz Frequency 970r/min | |||||||||||||||
| 型號 Model | 額定 激振力 Rated Force (kN) | 額定 功率 Rated Power (kW) | 額定 電流 Rated Current (A) | 安裝尺寸(mm) Mounting Dimension | 外形尺寸(mm) Overall Dimension | 安裝 螺栓 尺寸(mm) Mounting Bolt Dimension | 重量 Weight (kg) | 圖號 Drawings No. | |||||||
| A | B | H | AB | BB | HA | HD | L | K | |||||||
| MVE-2-6 | 2 | 0.15 | 0.65 | 140 | 105 | 80 | 170 | 150 | 17 | 180 | 300 | 13 | 4*M12 | 19 | 2 | 
| MVE-3-6 | 3 | 0.25 | 0.99 | 170 | 120 | 110 | 210 | 160 | 20 | 210 | 340 | 18 | 4*M16 | 28 | 2 | 
| MVE-5-6 | 5 | 0.37 | 1.37 | 170 | 120 | 110 | 210 | 160 | 20 | 210 | 360 | 18 | 4*M16 | 39 | 2 | 
| MVE-8-6 | 8 | 0.55 | 2.05 | 170 | 120 | 120 | 210 | 176 | 20 | 270 | 410 | 18 | 4*M16 | 58 | 2 | 
| MVE-10-6 | 10 | 0.75 | 2.47 | 190 | 140 | 140 | 230 | 200 | 23 | 270 | 450 | 18 | 4*M16 | 66 | 2 | 
| MVE-15-6 | 15 | 1.10 | 3.37 | 190 | 140 | 140 | 230 | 200 | 23 | 270 | 510 | 18 | 4*M16 | 78 | 2 | 
| MVE-20-6 | 20 | 1.50 | 4.47 | 225 | 155 | 170 | 280 | 246 | 28 | 320 | 560 | 22 | 4*M20 | 105 | 2 | 
| MVE-26-6 | 26 | 1.85 | 5.58 | 255 | 155 | 155 | 300 | 250 | 30 | 315 | 570 | 23.5 | 4*M22 | 125 | 2 | 
| MVE-30-6 | 30 | 2.20 | 6.22 | 255 | 155 | 155 | 300 | 250 | 30 | 315 | 610 | 23.5 | 4*M22 | 150 | 2 | 
| MVE-40-6 | 40 | 3.00 | 8.37 | 280 | 180 | 170 | 338 | 285 | 32 | 340 | 710 | 29 | 4*M27 | 205 | 2 | 
| MVE-50-6 | 50 | 3.70 | 9.37 | 320 | 200 | 198 | 380 | 330 | 35 | 395 | 620 | 32 | 4*M30 | 260 | 2 | 
| MVE-65-6 | 65 | 4.50 | 11.50 | 320 | 200 | 205 | 385 | 320 | 35 | 410 | 660 | 32 | 4*M30 | 280 | 2 | 
| MVE-80-6 | 80 | 5.00 | 12.38 | 320 | 100 | 205 | 385 | 320 | 35 | 410 | 730 | 32 | 6*M30 | 305 | 3 | 
| MVE-90-6 | 90 | 5.50 | 13.60 | 320 | 100 | 220 | 380 | 330 | 35 | 395 | 770 | 32 | 6*M30 | 320 | 3 | 
| MVE-100-6 | 100 | 6.30 | 15.58 | 380 | 125 | 225 | 460 | 360 | 38 | 450 | 760 | 38 | 6*M36 | 370 | 3 | 
| MVE-130-6 | 130 | 7.50 | 18.08 | 380 | 125 | 235 | 480 | 360 | 40 | 480 | 840 | 38 | 6*M36 | 485 | 3 | 
| MVE-150-6 | 150 | 10.00 | 22.89 | 460 | 118 | 255 | 540 | 440 | 40 | 510 | 890 | 39 | 8*M36 | 700 | 4 | 
| 三相八極(380V 50HZ 振動次數720r/min) Three-phase and Eight-pole 380V 50Hz Frequency 720r/min | |||||||||||||||
| 型號 Model | 額定 激振力 Rated Force (kN) | 額定 功率 Rated Power (kW) | 額定 電流 Rated Current (A) | 安裝尺寸(mm) Mounting Dimension | 外形尺寸(mm) Overall Dimension | 安裝 螺栓 尺寸(mm) Mounting Bolt Dimension | 重量 Weight (kg) | 圖號 Drawings No. | |||||||
| A | B | H | AB | BB | HA | HD | L | K | |||||||
| MVE-20-8 | 20 | 1.50 | 4.93 | 280 | 180 | 170 | 338 | 285 | 32 | 340 | 630 | 29 | 4*M27 | 205 | 2 | 
| MVE-30-8 | 30 | 2.20 | 6.70 | 320 | 200 | 205 | 385 | 320 | 35 | 410 | 730 | 32 | 4*M30 | 260 | 2 | 
| MVE-40-8 | 40 | 3.00 | 8.31 | 320 | 200 | 205 | 385 | 320 | 35 | 410 | 730 | 32 | 4*M30 | 296 | 2 | 
| MVE-50-8 | 50 | 3.70 | 9.80 | 380 | 250 | 225 | 460 | 360 | 38 | 450 | 760 | 38 | 4*M36 | 390 | 2 | 
| MVE-65-8 | 65 | 5.50 | 11.58 | 380 | 125 | 225 | 460 | 360 | 38 | 450 | 760 | 38 | 6*M36 | 430 | 3 | 
| MVE-80-8 | 80 | 6.30 | 13.80 | 440 | 140 | 225 | 520 | 375 | 40 | 450 | 720 | 45 | 6*M42 | 520 | 3 | 
| MVE-100-8 | 100 | 7.50 | 15.90 | 460 | 140 | 255 | 545 | 400 | 40 | 505 | 810 | 45 | 6*M42 | 600 | 3 | 

 
 